




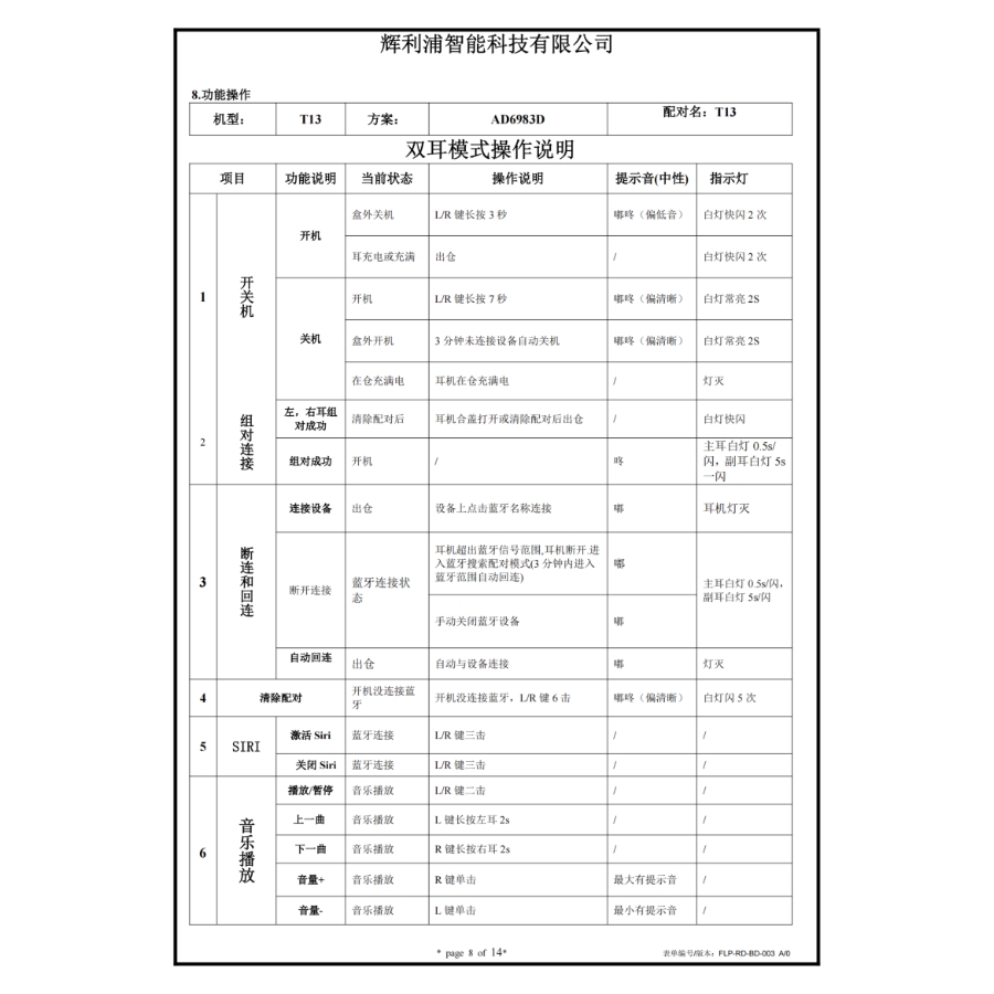
Plan: JL AD6983D 5.3
-Microphone configuration support: A2dp \ Avctp \ Avdtp\ Avrcp\Hfp\Spp\Smp\Att\Gap\Gatt\ Rfcomm\Sdp\l2cap
-Wireless distance range: 10m
-Battery: 30mAh x 2+280mAh
-Bluetooth earphone size: 13mm
-Impedance: 32 Ω ± 15% (at 1KHz) -Call time: 5 hours
-Working hours: 5 hours
-Charging time: approximately 1 hour
























